华盛气旋转接头可独立360°旋转,用于传输单路或多路气体或负压真空。传输介质包括压缩空气和工业惰性气体。气旋转接头通常根据气体传输通道数量进行分类。华盛气旋转接头支持1~24路气路,最大工作压力范围为-1.5 kPa至1 MPa。
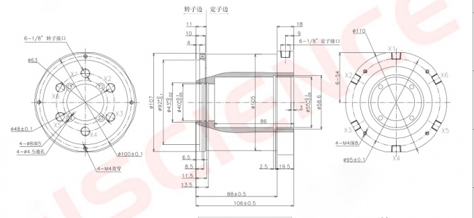
电路数:6路
连接螺纹尺寸:G1/8\
压力:-100Kpa~1Mpa
传输介质:压缩空气
旋转速度:0~200RPM
工作温度:-30℃~+70℃

最小启动扭矩:0.01 N.m
旋转扭矩:比传统气旋转接头小5-10倍或更多
最高转速:高达500 RPM;寿命:超过2000万次旋转
紧凑设计:结构设计可承受高达-100 kPa的真空压力
材料:耐磨、耐腐蚀,确保长寿命;双重防护:确保无空气泄漏
集成传动:可传输电力、信号、光、以太网及工业总线
标准接口:M5、G1/8\";可根据具体要求提供定制化连接器和管径
密封组件:易于更换和维修,无需购买新产品即可降低成本
气体传输:可传输压缩空气和工业惰性气体;特殊气体可定制
砂轮打磨
焊接机
工业自动化系统
包装设备
芯片贴装机
机器人系统
测试装置
锂离子电池生产线
手机测试设施
高端手机生产线
激光系统
涂布与隔膜机械
软包包装薄膜设备
电池
绑定与层压机
电子半导体制造自动化
1. 工作温度:可根据客户需求定制
2. 抗冲击等级:符合MIL-SID-810E标准
3. 管径和端口尺寸:可根据特定需求定制
4. 压力范围:可根据应用要求定制
5. 集成能力:支持电力线、信号线、工业总线、控制线、电磁阀、感应线等多种线路的集成
6. 气体入口位置和回路数量:可根据客户规格定制
7. 工作温度:可根据客户需求定制至300℃
8. 高速能力:可根据需要定制至5000 rpm
9. 特殊气体属性定制:气旋转接头可根据客户的特定气体属性进行定制
