HA01400大电流无汞滑环具有紧凑尺寸、高导电性、耐高温性和环保性。它继承了传统汞滑环的产品特性,同时消除了与汞相关的环境问题。该系列产品代表了一种高性价比的解决方案,具有小体积和高电流导电性。
极数:1
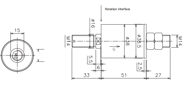
接线柱尺寸:M16
额定电流:400A
工作转速:0-300RPM
接触材料:贵金属
电阻:<1mΩ
工作温度:-30℃~+70℃

超过8000万转
M10绑线柱,便于安装
环保、无毒、无污染
体积小巧、精度高、易于安装
高可靠性、稳定性及成本效益
自动化机械
电缆卷轴
水平铜电镀生产线
旋转银电镀生产线
旋转灯箱
半导体生产线
加热旋转器
1、外壳材料:根据特定环境或操作要求定制外壳材料
2、绑线柱规格:根据不同的连接需求定制绑线柱规格
3、工作速度:调整工作速度以满足操作需求,适用于从低速到高速的各种应用
4、工作温度:定制工作温度范围,确保在各种环境条件下(从极寒到高温)的 最佳性能
