HST16-P04-S08-G02-J01 工业总线滑环专为各种工业总线系统的传输而设计,支持 Profibus、CANBUS、CANOPEN、DeviceNET、CC-LINK、ProfiNET 和 EtherCAT 等协议。它还可支持数字/模拟视频、数字音频、千兆以太网、温度和重量传感器信号以及各种电源信号的混合传输。
电路数量:4/10A 两组 100M 网络信息
电压:0-380VAC/VDC
工作转速:0-300RPM
触点材料:贵金属
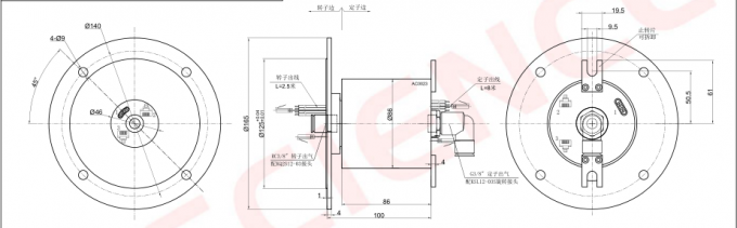
引线长度:定子/转子:300mm
防护等级:IP51
绝缘电阻:≥500MΩ@500VDC

1、支持的总线类型包括:Profibus、CANBUS、CANOPEN、DeviceNET、CC-LINK、ProfiNET、EtherCAT等。
2、高速工业总线导电滑环。
3、出色的抗干扰能力。
4、特殊的内部屏蔽设计。
5、确保100%通信无死点。
6、专为高速数据传输和无差错通信协议设计。
机器人
工业自动化设备
测试设备
展览/展示设备
包装机械
转盘设备
游乐设备
高速铁路设备
海洋及 offshore 设备
工程机械
风电设备
1. 转子和定子引线类型及电缆长度可定制。
2. 由于结构限制,可根据指定长度、高度或外径进行定制。
3. 支持最多200路电源、电流或信号传输。
4. 可选航空插头、端子和热缩管。
5. 支持混合滑环,用于安川(Yaskawa)、松下(Panasonic)、西门子(Siemens)等系统中的伺服系统信号、电源线和编码器电缆。
6. 支持混合高速数据传输(包括以太网、USB、RS232、RS485、Profibus、CANBUS、CANOPEN、DeviceNET、CC-LINK、ProfiNET、EtherCAT及其他工业总线系统)。
7. 支持温度控制信号和热电偶信号的混合传输。
8. 可为振动防护或高温等特殊环境提供定制解决方案。
9. 可与气动和液压旋转接头集成,形成组合式电-气-液滑环。
